CTS-C2-BP-CC-FLX-AP-VBB-176689 (Order no. 176689)
Safety switch with guard locking CTS-C2-BP FlexFunction, RFID, connection cable PVC with plug connector(s) M12, for connection to decentralized peripheral system
- Open-circuit current principle
- Guard locking for process protection
- Connection cable, connecting cable PVC, 25 cm, 2 x plug connector(s) M12, 5-pin
- for direct connection to decentralized peripheral systems: ArmorBlock Guard I/O

Description
Direct connection to decentralized peripheral systems
The connection via M12 plug connector(s) is optimized for direct connection to ArmorBlock Guard I/O 1732ES-IB8XOBV4 and 732ES-IB12XOBV2 from Rockwell Automation.
FlexFunction
The switch is configured by the function actuator during setup. Depending on the selection of the function actuator, the guard lock monitoring of the safety switch is active or inactive and the evaluation of the actuator code is high-coded or low-coded.
Guard locking principle
Open-circuit current (power on to lock): On a guard with guard locking based on the open-circuit current principle, the guard is locked until the power supply to the guard locking solenoid is interrupted. Unlocking is by spring force. The term electrical guard locking is also used.
Guard locking for process protection
The safety switch meets the requirements for interlocking devices with guard locking for process protection. It does not possess safe guard lock monitoring.
Auxiliary release
The auxiliary release on the front and rear sides allows access to the machine in the event of a malfunction, e.g. a power failure.
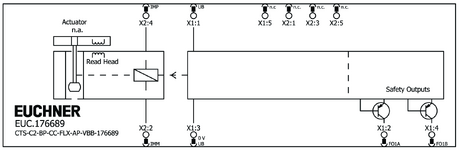
Terminal assignment
| Plug connector (view of connection side) | Pin | Designation | Function | Connecting cable conductor coloring |
|---|---|---|---|---|
| ast_654553 | X 1.1 | UB | Electronics operating voltage, 24 V DC | BN |
| X 1.2 | FO1A | Safety output, channel A | WH | |
| X 1.3 | 0 V UB | Electronics operating voltage, 0 V DC | BU | |
| X 1.4 | FO1B | Safety output, channel B | BK | |
| X 1.5 | - | n.c. | GY | |
| X 2.1 | - | n.c. | BN | |
| X 2.2 | IMM | Solenoid operating voltage, 0 V DC | WH | |
| X 2.3 | - | n.c. | BU | |
| X 2.4 | IMP | Solenoid operating voltage, 24 V DC | BK | |
| X 2.5 | - | n.c. | GY |
Accessories required
Actuator is not included.


Dimensional drawings

| 1 | Auxiliary release |
| 2 | LEDs |
Connection examples

Technical data
Approvals


Electrical connection values
| Fuse | |
| IMP | 1 ... 8 A external |
| UB | 1 ... 8 A external |
| Power consumption | 9 W |
| rated conditional short-circuit current | 100 A |
| Rated insulation voltage Ui | 32 V |
| Rated impulse voltage Uimp | 0.8 kV |
| Operating voltage DC | |
| UB | 24 V DC -15% ... +20% (reverse polarity protected, regulated, residual ripple<5%, SELV) |
| Discrepancy time | max. 10 ms |
| Turn-on time | max. 400 ms |
| EMC protection requirements | Acc. to EN IEC 60947-5-3 |
| Solenoid operating voltage DC | 24 V DC -15% ... +20% reverse polarity protected, regulated, residual ripple<5%, SELV |
| Solenoid duty cycle | 100 % |
| Risk time according to EN 60947-5-3 | max. 200 ms |
| Risk time according to EN 60947-5-3, extension for each additional device | max. 10 ms |
| Switching load | |
| according to UL | DC 24 V, Class 2 |
| Safety class | III |
| Current consumption | |
| IIMP | 500 mA |
| IUB | 50 mA |
| Degree of contamination (external, according to EN 60947-1) | 3 |
| Safety outputs FO1A, FO1B | |
| Output type | Semiconductor outputs, p-switching, short circuit-proof |
| Output voltage | |
| UFO1A /UFO1B HIGH | UB-4V ... UB V DC (Value at a switching current of 50mA without taking into account the cable lengths) |
| UFO1A /UFO1B LOW | 0 ... 1 V DC |
| Output current | |
| per safety output FO1A / FO1B | 1 ... 75 mA |
| Utilization category | |
| DC-13 | 24V 75mA (Caution: outputs must be protected with a free-wheeling diode in case of inductive loads) |
| Test pulse duration | max. 0.3 ms |
| Test pulse interval | min. 96 ms |
Mechanical values and environment
| Anfahrgeschwindigkeit | max. 20 m/min |
| Extraction force | 25 N |
| Ready delay | max. 1 s |
| Actuating force | 25 N |
| Installation orientation | any |
| Storage temperature | -25 ... 70 °C |
| Mechanical life | 1 x 10⁶ |
| Retention force | 10 N |
| Shock and vibration resistance | Acc. to EN IEC 60947-5-3 |
| Degree of protection | IP65/IP67/IP69/IP69K |
| Ambient temperature | -20 ... 50 °C |
| Material | |
| Switch head cover | Die-cast zinc |
| Safety switch housing | Reinforced thermoplastic |
| Connecting cable | PVC |
| Locking force Fmax | 5000 N |
| Locking force FZh | 3800 N |
| Guard locking principle | Open-circuit current principle |
| Connection X1/X2 | |
| Connection type | Connecting cable with plug connector M12 |
| Static bending radius | 8x cable diameter |
| Cable outlet | straight |
| Cable length | 0.25 m |
| Number of pins | 5 |
| Safety outputs FO1A, FO1B | |
| Switching frequency | max. 0.2 Hz |
Characteristic values according to EN ISO 13849-1 and EN IEC 62061
| PL | Maximum SIL | PFHD | Category | Mission time | |
|---|---|---|---|---|---|
| Monitoring of the guard position | PL e | 3 | 6.44x10-9 | 4 | 20 y |
Miscellaneous
| Notices for UL approval | Operation only with UL Class 2 power supply or equivalent measures; see operating instructions |
Accessories

A-FLX-D-0C-167919
- Function actuator for configuration of the safety switch CTS
- Configuration: monitoring of the guard locking, high coding level (L+HC)

A-FLX-D-0E-169045
- Function actuator for configuration of the safety switch CTS
- Configuration: monitoring of the guard locking, low coding level (L+LC)

A-FLX-D-0D-169044
- Function actuator for configuration of the safety switch CTS
- Configuration: monitoring of the door position, high coding level (I+HC)

A-FLX-D-0F-169046
- Function actuator for configuration of the safety switch CTS
- Configuration: monitoring of the door position, low coding level (I+LC)

C-M12F05-05X034PU01,5-M12M05-159356
- M12 female plug to M12 plug connector, 5-pin
- Straight female plug and plug connector
- Connecting cable according to AIDA standard
- PUR cable, sheath color gray
- Cable length 1.5 m

C-M12F05-05X034PU01,5-M12M05-159363
- M12 female plug to M12 plug connector, 5-pin
- Straight female plug and plug connector
- Connecting cable according to AIDA standard
- PUR cable, sheath color yellow
- Cable length 1.5 m

C-M12F05-05X034PV10,0-M12M05-100181
- M12 female plug to M12 plug connector, 5-pin
- Straight female plug and plug connector
- PVC cable
- Cable length 10 m

C-M12F05-05X034PU10,0-M12M05-119947
- M12 female plug to M12 plug connector, 5-pin
- Straight female plug and plug connector
- PUR cable
- Cable length 10 m

C-M12F05-05X034PU10,0-M12M05-159360
- M12 female plug to M12 plug connector, 5-pin
- Straight female plug and plug connector
- Connecting cable according to AIDA standard
- PUR cable, sheath color gray
- Cable length 10 m

C-M12F05-05X034PU10,0-M12M05-159920
- M12 female plug to M12 plug connector, 5-pin
- Straight female plug and plug connector
- Connecting cable according to AIDA standard
- PUR cable, sheath color yellow
- Cable length 10 m

C-M12F05-05X034PU15,0-M12M05-159361
- M12 female plug to M12 plug connector, 5-pin
- Straight female plug and plug connector
- Connecting cable according to AIDA standard
- PUR cable, sheath color gray
- Cable length 15 m

C-M12F05-05X034PU15,0-M12M05-159921
- M12 female plug to M12 plug connector, 5-pin
- Straight female plug and plug connector
- Connecting cable according to AIDA standard
- PUR cable, sheath color yellow
- Cable length 15 m

C-M12F05-05X034PU01,0-M12M05-159355
- M12 female plug to M12 plug connector, 5-pin
- Straight female plug and plug connector
- Connecting cable according to AIDA standard
- PUR cable, sheath color gray
- Cable length 1 m

C-M12F05-05X034PU01,0-M12M05-159362
- M12 female plug to M12 plug connector, 5-pin
- Straight female plug and plug connector
- Connecting cable according to AIDA standard
- PUR cable, sheath color yellow
- Cable length 1 m

C-M12F05-05X034PV20,0-M12M05-100182
- M12 female plug to M12 plug connector, 5-pin
- Straight female plug and plug connector
- PVC cable
- Cable length 20 m

C-M12F05-05X034PU20,0-M12M05-119971
- M12 female plug to M12 plug connector, 5-pin
- Straight female plug and plug connector
- PUR cable
- Cable length 20 m

C-M12F05-05X034PU03,0-M12M05-159357
- M12 female plug to M12 plug connector, 5-pin
- Straight female plug and plug connector
- Connecting cable according to AIDA standard
- PUR cable, sheath color gray
- Cable length 3 m

C-M12F05-05X034PU03,0-M12M05-159364
- M12 female plug to M12 plug connector, 5-pin
- Straight female plug and plug connector
- Connecting cable according to AIDA standard
- PUR cable, sheath color yellow
- Cable length 3 m

C-M12F05-05X034PV05,0-M12M05-100180
- M12 female plug to M12 plug connector, 5-pin
- Straight female plug and plug connector
- PVC cable
- Cable length 5 m

C-M12F05-05X034PU05,0-M12M05-119932
- M12 female plug to M12 plug connector, 5-pin
- Straight female plug and plug connector
- PUR cable
- Cable length 5 m

C-M12F05-05X034PU05,0-M12M05-159358
- M12 female plug to M12 plug connector, 5-pin
- Straight female plug and plug connector
- Connecting cable according to AIDA standard
- PUR cable, sheath color gray
- Cable length 5 m

C-M12F05-05X034PU05,0-M12M05-159365
- M12 female plug to M12 plug connector, 5-pin
- Straight female plug and plug connector
- Connecting cable according to AIDA standard
- PUR cable, sheath color yellow
- Cable length 5 m

C-M12F05-05X034PU08,0-M12M05-159359
- M12 female plug to M12 plug connector, 5-pin
- Straight female plug and plug connector
- Connecting cable according to AIDA standard
- PUR cable, sheath color gray
- Cable length 8 m

C-M12F05-05X034PU08,0-M12M05-159919
- M12 female plug to M12 plug connector, 5-pin
- Straight female plug and plug connector
- Connecting cable according to AIDA standard
- PUR cable, sheath color yellow
- Cable length 8 m
Downloads
Complete package
Download all important documents with a single click.
Content:
- The operating instructions and any additions to the operating instructions or brief instructions
- Any data sheets to supplement the operating instructions
- The declaration of conformity
Single Documents
Fiche technique
Ficha de datos
Datenblatt
Ficha de dados
数据表
データ シート
데이터 시트
Datový list
Fiche technique
Ficha de datos
Datenblatt
Ficha de dados
数据表
データ シート
데이터 시트
Datový list
Other Documents
Ordering data
| Ordernumber | 176689 |
| Item designation | CTS-C2-BP-CC-FLX-AP-VBB-176689 |
| Gross weight | 0,57kg |
| Customs tariff number | 85365019000 |
| ECLASS | 27-27-24-05 Safety-related transponder switch with guardlocking |







